91视频高清,91视频污下载,91视频APP导航,91视频黄色版

    主营91视频污下载、管件、塔节等

    0510-83266656

    0510-83266656

    6 条记录 1/1 页
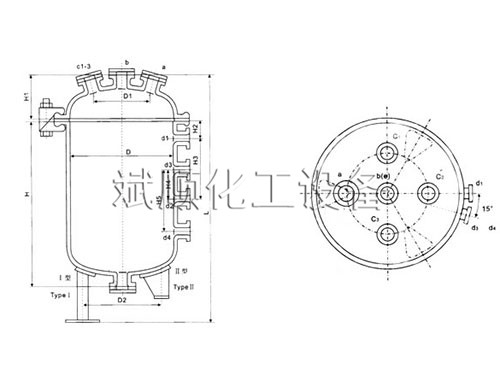
           搪玻璃贮罐技术规范:
           1、使用压力:0.2-0.4Mpa。
           2、耐酸性:对有机酸、无机酸、有机溶剂均有较好的抗蚀性。
           3、耐碱性:对碱性溶液抗蚀性较酸溶液差。
           4、操作温度:搪玻璃贮罐加热和冷却时,应缓慢进行。
           5、瓷层厚度:玻璃设备的瓷层厚度0.8-2.0mm,设备附件的瓷层厚度0.6-1.8mm。
           6、耐压电:搪玻璃具有良好的绝缘性,当搪玻璃在规定厚度内用20KV高频电火花检查瓷层时,高频电火花不能击穿瓷层。
           7、耐冲击性:玻璃层的内应力越小,弹性越好,硬度越大,抗弯抗压强度越高,则耐冲击就越好。

    Copy right © 2018 无锡市91视频高清化工设备制造有限公司 版权所有